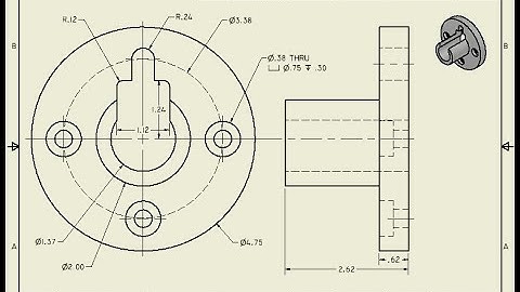
TDJ3M1 - How To Create The CENTERING BUSHING Using HOLE And CIRCULAR Pattern Features

Tonton & Download Video Musik Gratis

⬇ DOWNLOAD NOW
Kalau muncul iklan pop-up, tutup lalu klik tombol kembali

Download lagu TDJ3M1 - How To Create The CENTERING BUSHING Using HOLE And CIRCULAR Pattern Features secara gratis hanya untuk keperluan promosi. Dukung artis favorit kamu dengan membeli musik original di iTunes atau platform resmi lainnya.