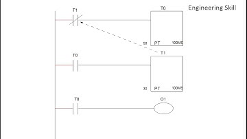
LESSON-12 PLC PROGRAMMING;OFF DELAY TIMER(HINDI)

Tonton & Download Video Musik Gratis

⬇ DOWNLOAD NOW
Kalau muncul iklan pop-up, tutup lalu klik tombol kembali

Download lagu LESSON-12 PLC PROGRAMMING;OFF DELAY TIMER(HINDI) secara gratis hanya untuk keperluan promosi. Dukung artis favorit kamu dengan membeli musik original di iTunes atau platform resmi lainnya.