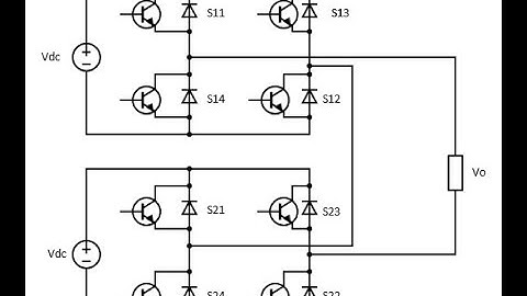
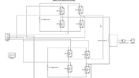
#finalyearprojects 2021 | Design of 15-level Cascaded Multi-Level Inverter

Tonton & Download Video Musik Gratis

⬇ DOWNLOAD NOW
Kalau muncul iklan pop-up, tutup lalu klik tombol kembali

Download lagu #finalyearprojects 2021 | Design of 15-level Cascaded Multi-Level Inverter secara gratis hanya untuk keperluan promosi. Dukung artis favorit kamu dengan membeli musik original di iTunes atau platform resmi lainnya.