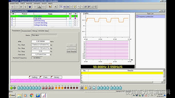
How to use POM-6143 Protective relay test kit to do 81U under frequency protection relay testing?

Tonton & Download Video Musik Gratis

⬇ DOWNLOAD NOW
Kalau muncul iklan pop-up, tutup lalu klik tombol kembali

Download lagu How to use POM-6143 Protective relay test kit to do 81U under frequency protection relay testing? secara gratis hanya untuk keperluan promosi. Dukung artis favorit kamu dengan membeli musik original di iTunes atau platform resmi lainnya.