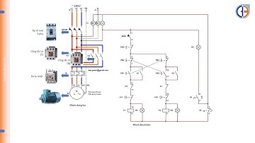
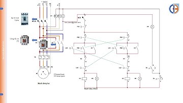
Mạch đảo chiều quay động cơ KĐB 3pha đảo chiều trực tiếp_Kỹ thuật điện những khái niệm cơ bản

Tonton & Download Video Musik Gratis

⬇ DOWNLOAD NOW
Kalau muncul iklan pop-up, tutup lalu klik tombol kembali

Download lagu Mạch đảo chiều quay động cơ KĐB 3pha đảo chiều trực tiếp_Kỹ thuật điện những khái niệm cơ bản secara gratis hanya untuk keperluan promosi. Dukung artis favorit kamu dengan membeli musik original di iTunes atau platform resmi lainnya.