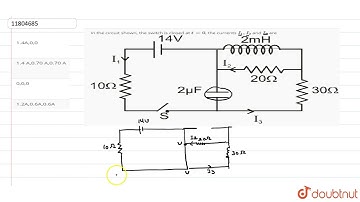
In the circuit shown, the switch is closed at time t = 0. Which of the graphs shown below

Tonton & Download Video Musik Gratis

⬇ DOWNLOAD NOW
Kalau muncul iklan pop-up, tutup lalu klik tombol kembali

Download lagu In the circuit shown, the switch is closed at time t = 0. Which of the graphs shown below secara gratis hanya untuk keperluan promosi. Dukung artis favorit kamu dengan membeli musik original di iTunes atau platform resmi lainnya.