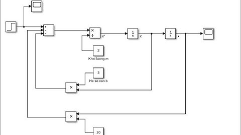
Matlab Simulink Mô hình hóa một hệ động lực liên tục Cách 1

Tonton & Download Video Musik Gratis

⬇ DOWNLOAD NOW
Kalau muncul iklan pop-up, tutup lalu klik tombol kembali

Download lagu Matlab Simulink Mô hình hóa một hệ động lực liên tục Cách 1 secara gratis hanya untuk keperluan promosi. Dukung artis favorit kamu dengan membeli musik original di iTunes atau platform resmi lainnya.