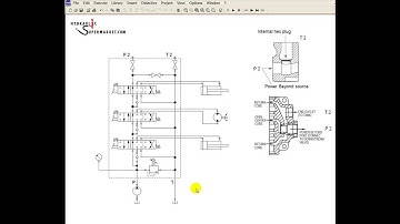
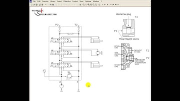
How to Use the Power Beyond Facility in a Hydraulic Directional Control Valve (with improved audio)

Tonton & Download Video Musik Gratis

⬇ DOWNLOAD NOW
Kalau muncul iklan pop-up, tutup lalu klik tombol kembali

Download lagu How to Use the Power Beyond Facility in a Hydraulic Directional Control Valve (with improved audio) secara gratis hanya untuk keperluan promosi. Dukung artis favorit kamu dengan membeli musik original di iTunes atau platform resmi lainnya.