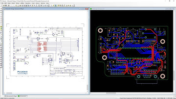
OrCAD Capture between PADS Layout link(Cross probe bidirectional)

Tonton & Download Video Musik Gratis

⬇ DOWNLOAD NOW
Kalau muncul iklan pop-up, tutup lalu klik tombol kembali

Download lagu OrCAD Capture between PADS Layout link(Cross probe bidirectional) secara gratis hanya untuk keperluan promosi. Dukung artis favorit kamu dengan membeli musik original di iTunes atau platform resmi lainnya.