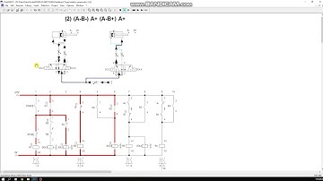
A-B+B-DELAYED A+ SEQUENCE OF OPERATION OF PNEUMATIC CIRCUIT

Tonton & Download Video Musik Gratis

⬇ DOWNLOAD NOW
Kalau muncul iklan pop-up, tutup lalu klik tombol kembali

Download lagu A-B+B-DELAYED A+ SEQUENCE OF OPERATION OF PNEUMATIC CIRCUIT secara gratis hanya untuk keperluan promosi. Dukung artis favorit kamu dengan membeli musik original di iTunes atau platform resmi lainnya.