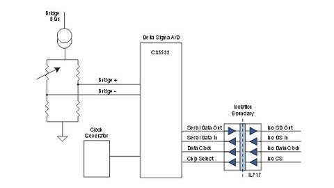
Arduino ADC Using an SPI isolator with Integrated DC-DC Convertor

Tonton & Download Video Musik Gratis

⬇ DOWNLOAD NOW
Kalau muncul iklan pop-up, tutup lalu klik tombol kembali

Download lagu Arduino ADC Using an SPI isolator with Integrated DC-DC Convertor secara gratis hanya untuk keperluan promosi. Dukung artis favorit kamu dengan membeli musik original di iTunes atau platform resmi lainnya.