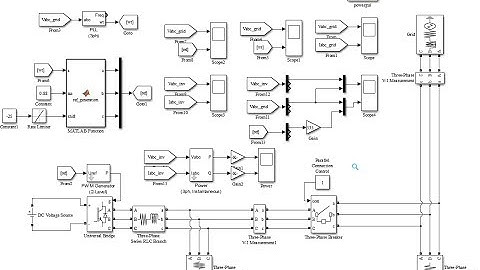
Single stage 3 phase grid connected solar inverter - MATLAB Simulation

Tonton & Download Video Musik Gratis

⬇ DOWNLOAD NOW
Kalau muncul iklan pop-up, tutup lalu klik tombol kembali

Download lagu Single stage 3 phase grid connected solar inverter - MATLAB Simulation secara gratis hanya untuk keperluan promosi. Dukung artis favorit kamu dengan membeli musik original di iTunes atau platform resmi lainnya.