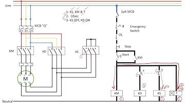
star delta control wiring diagram with timer explained by @TheElectricalGuy

Tonton & Download Video Musik Gratis

⬇ DOWNLOAD NOW
Kalau muncul iklan pop-up, tutup lalu klik tombol kembali

Download lagu star delta control wiring diagram with timer explained by @TheElectricalGuy secara gratis hanya untuk keperluan promosi. Dukung artis favorit kamu dengan membeli musik original di iTunes atau platform resmi lainnya.