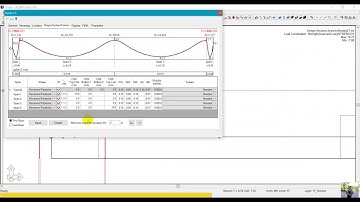
3 Assign Tendons Band distributed Layout in Post-tensioned Slab 4/4

Tonton & Download Video Musik Gratis

⬇ DOWNLOAD NOW
Kalau muncul iklan pop-up, tutup lalu klik tombol kembali

Download lagu 3 Assign Tendons Band distributed Layout in Post-tensioned Slab 4/4 secara gratis hanya untuk keperluan promosi. Dukung artis favorit kamu dengan membeli musik original di iTunes atau platform resmi lainnya.