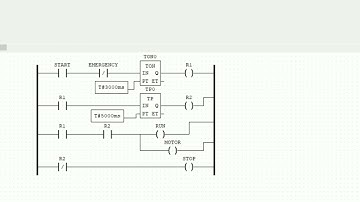
PLC Conveyor Motor Ladder Logic | Conveyor Belt Control using programmable logic controller (PLC)

Tonton & Download Video Musik Gratis

⬇ DOWNLOAD NOW
Kalau muncul iklan pop-up, tutup lalu klik tombol kembali

Download lagu PLC Conveyor Motor Ladder Logic | Conveyor Belt Control using programmable logic controller (PLC) secara gratis hanya untuk keperluan promosi. Dukung artis favorit kamu dengan membeli musik original di iTunes atau platform resmi lainnya.