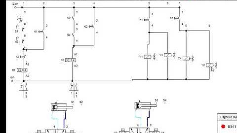
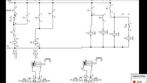
Mechatronics pneumatic circuit A+B+A-B- by Prof Arshad lecture 02(watch in good quality 360p)

Tonton & Download Video Musik Gratis

⬇ DOWNLOAD NOW
Kalau muncul iklan pop-up, tutup lalu klik tombol kembali

Download lagu Mechatronics pneumatic circuit A+B+A-B- by Prof Arshad lecture 02(watch in good quality 360p) secara gratis hanya untuk keperluan promosi. Dukung artis favorit kamu dengan membeli musik original di iTunes atau platform resmi lainnya.