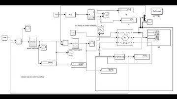
Mathematical Modeling of Closed Loop Speed control of DC Motor in MATLAB/Simulink!

Tonton & Download Video Musik Gratis

⬇ DOWNLOAD NOW
Kalau muncul iklan pop-up, tutup lalu klik tombol kembali

Download lagu Mathematical Modeling of Closed Loop Speed control of DC Motor in MATLAB/Simulink! secara gratis hanya untuk keperluan promosi. Dukung artis favorit kamu dengan membeli musik original di iTunes atau platform resmi lainnya.