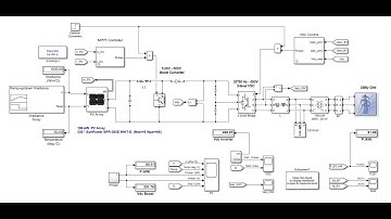
Simulink Simulation of Solar and Wind Energy System Using MATLAB I Project Kits BD

Tonton & Download Video Musik Gratis

⬇ DOWNLOAD NOW
Kalau muncul iklan pop-up, tutup lalu klik tombol kembali

Download lagu Simulink Simulation of Solar and Wind Energy System Using MATLAB I Project Kits BD secara gratis hanya untuk keperluan promosi. Dukung artis favorit kamu dengan membeli musik original di iTunes atau platform resmi lainnya.