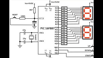
Thiết kế vi điều khiển PIC16F887 kết nối với 2 led 7 đoạn và 3 nút nhấn UP, DW, START

Tonton & Download Video Musik Gratis

⬇ DOWNLOAD NOW
Kalau muncul iklan pop-up, tutup lalu klik tombol kembali

Download lagu Thiết kế vi điều khiển PIC16F887 kết nối với 2 led 7 đoạn và 3 nút nhấn UP, DW, START secara gratis hanya untuk keperluan promosi. Dukung artis favorit kamu dengan membeli musik original di iTunes atau platform resmi lainnya.