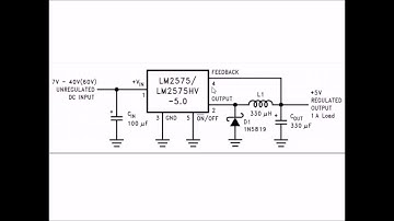
LM2576 5 VOLT DC 3 AMP Switching Regulator

Tonton & Download Video Musik Gratis

⬇ DOWNLOAD NOW
Kalau muncul iklan pop-up, tutup lalu klik tombol kembali

Download lagu LM2576 5 VOLT DC 3 AMP Switching Regulator secara gratis hanya untuk keperluan promosi. Dukung artis favorit kamu dengan membeli musik original di iTunes atau platform resmi lainnya.