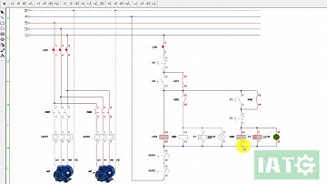
Thiết kế điều khiển cho hệ thống 3 động cơ làm việc luân phiên với hai chế độ

Tonton & Download Video Musik Gratis

⬇ DOWNLOAD NOW
Kalau muncul iklan pop-up, tutup lalu klik tombol kembali

Download lagu Thiết kế điều khiển cho hệ thống 3 động cơ làm việc luân phiên với hai chế độ secara gratis hanya untuk keperluan promosi. Dukung artis favorit kamu dengan membeli musik original di iTunes atau platform resmi lainnya.