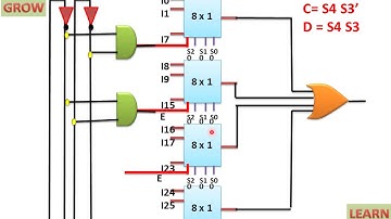
32:1 Multiplexer using 8:1 Multiplexer | Design and Explanation

Tonton & Download Video Musik Gratis

โฌ‡ DOWNLOAD NOW
Kalau muncul iklan pop-up, tutup lalu klik tombol kembali

Download lagu 32:1 Multiplexer using 8:1 Multiplexer | Design and Explanation secara gratis hanya untuk keperluan promosi. Dukung artis favorit kamu dengan membeli musik original di iTunes atau platform resmi lainnya.