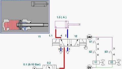
No. 3, #ElectroPneumatics, #Cylinder, 5/2 #Valve, #PressureSource, Y=(S1 ۸ S2) ۷ S3, #Automation

Tonton & Download Video Musik Gratis

⬇ DOWNLOAD NOW
Kalau muncul iklan pop-up, tutup lalu klik tombol kembali

Download lagu No. 3, #ElectroPneumatics, #Cylinder, 5/2 #Valve, #PressureSource, Y=(S1 ۸ S2) ۷ S3, #Automation secara gratis hanya untuk keperluan promosi. Dukung artis favorit kamu dengan membeli musik original di iTunes atau platform resmi lainnya.