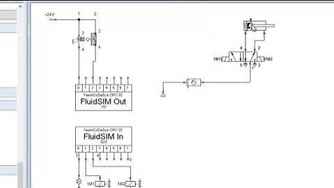
CoDeSys 2.3 - Comunicación con FluidSim mediante Festo EzOPC v5.5 Externo

Tonton & Download Video Musik Gratis

⬇ DOWNLOAD NOW
Kalau muncul iklan pop-up, tutup lalu klik tombol kembali

Download lagu CoDeSys 2.3 - Comunicación con FluidSim mediante Festo EzOPC v5.5 Externo secara gratis hanya untuk keperluan promosi. Dukung artis favorit kamu dengan membeli musik original di iTunes atau platform resmi lainnya.