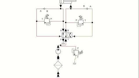
Part Three :-Circuit Design for Automatic Cylinder Reciprocating Circuit

Tonton & Download Video Musik Gratis

⬇ DOWNLOAD NOW
Kalau muncul iklan pop-up, tutup lalu klik tombol kembali

Download lagu Part Three :-Circuit Design for Automatic Cylinder Reciprocating Circuit secara gratis hanya untuk keperluan promosi. Dukung artis favorit kamu dengan membeli musik original di iTunes atau platform resmi lainnya.