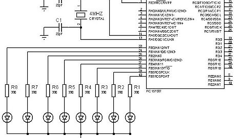
Como crear un archivo .hex para PIC16F887 utilizando MPLAB

Tonton & Download Video Musik Gratis

⬇ DOWNLOAD NOW
Kalau muncul iklan pop-up, tutup lalu klik tombol kembali

Download lagu Como crear un archivo .hex para PIC16F887 utilizando MPLAB secara gratis hanya untuk keperluan promosi. Dukung artis favorit kamu dengan membeli musik original di iTunes atau platform resmi lainnya.