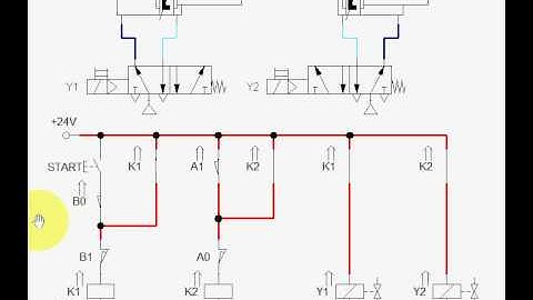
Electro Pneumatic Cylinder Sequence Circuit Tutorial - A+ B+ A- B-

Tonton & Download Video Musik Gratis

⬇ DOWNLOAD NOW
Kalau muncul iklan pop-up, tutup lalu klik tombol kembali

Download lagu Electro Pneumatic Cylinder Sequence Circuit Tutorial - A+ B+ A- B- secara gratis hanya untuk keperluan promosi. Dukung artis favorit kamu dengan membeli musik original di iTunes atau platform resmi lainnya.