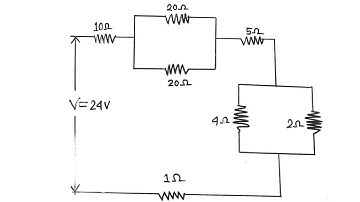
Series & Parallel Circuit Math || সিরিজ, প্যারালাল সার্কিটের সমস্যার সমাধান || Electrical Circuit||

Tonton & Download Video Musik Gratis

⬇ DOWNLOAD NOW
Kalau muncul iklan pop-up, tutup lalu klik tombol kembali

Download lagu Series & Parallel Circuit Math || সিরিজ, প্যারালাল সার্কিটের সমস্যার সমাধান || Electrical Circuit|| secara gratis hanya untuk keperluan promosi. Dukung artis favorit kamu dengan membeli musik original di iTunes atau platform resmi lainnya.