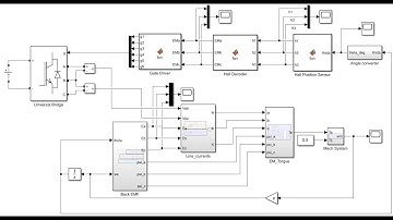
Modeling & Simulation of Hysteresis Current Controller for BLDC Motor Drive using Matlab Simulink

Tonton & Download Video Musik Gratis

⬇ DOWNLOAD NOW
Kalau muncul iklan pop-up, tutup lalu klik tombol kembali

Download lagu Modeling & Simulation of Hysteresis Current Controller for BLDC Motor Drive using Matlab Simulink secara gratis hanya untuk keperluan promosi. Dukung artis favorit kamu dengan membeli musik original di iTunes atau platform resmi lainnya.