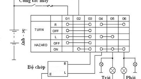
Mạch điện đèn báo rẽ và báo nguy (hazard) cơ bản | KỸ THUẬT XE

Tonton & Download Video Musik Gratis

⬇ DOWNLOAD NOW
Kalau muncul iklan pop-up, tutup lalu klik tombol kembali

Download lagu Mạch điện đèn báo rẽ và báo nguy (hazard) cơ bản | KỸ THUẬT XE secara gratis hanya untuk keperluan promosi. Dukung artis favorit kamu dengan membeli musik original di iTunes atau platform resmi lainnya.